Hydraulic and machinery rotators Links
Universal
Link
Assemble by customer
Uses
Description
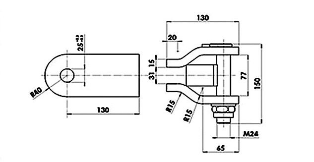
Link between rotator and crane, realized with custom measures.
Technical table
| Models | ø pivot | ø bushing | Maximum capacity |
|---|---|---|---|
| Um | mm | mm | kg |
| Universale | 25 | 45 | 5000 |
* price of the product vat excluded
